推薦產品
河南華東起重機械設備公司
服務熱線:400 086 9590
公司:河南華東起重機械設備有限公司
聯系人:賈經理
聯系電話:13903802779
地址:河南新鄉市封丘縣起重機工業園區
當前位置: 起重機 > 技術資料 > 起重機百科
MW22系列吊運成卷線材(盤圓)用電磁鐵MW22型電磁吸盤
時間:2024-01-18來源:起重電磁鐵廠家瀏覽次數:1
電磁吸盤介紹
吊運成卷線材(盤圓)用電磁鐵主要型號有:MW22-10054L/2-6、MW22-16054L/2-6、MW22-18054L/2-6、MW22-22054L/2-6、MW22-26054L/2-6、MW22-30054L/2-6、MW22-34054L/2-6、MW22-36054L/2-6、MW22-40054L/2-6、MW22-46054L/2-6、MW22-55054L/2-6等型號,其特殊磁極適用于不同走絲的盤圓,電磁鐵的選擇取決于盤圓滿的長度,如電磁足夠長,則一次可沿長度方向吊運幾卷盤圓滿。
電磁吸盤說明
產品名稱:吊運成卷線材(盤圓)用電磁鐵
別名別稱:電磁吸盤起重吸盤起重磁鐵
型號規格:MW22系列型
所屬類別:電磁吊具
產品產地:河南新鄉湖南岳陽
非標定制:承接非標定制
是否現貨:定制生產
生產周期:7~10天
供貨范圍:全國
送達方式:自提或代辦托運
是否安裝:安裝另計
售后方式:一年保修
電磁吸盤圖片

電磁吸盤參數
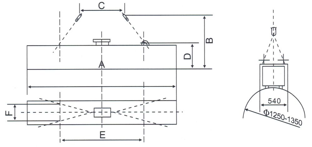
吊運成卷線材(盤圓)用電磁鐵外形尺寸圖

吊運成卷線材(盤圓)用電磁鐵主要技術規格參數表
| 常溫型(額定電壓DC-220V,通電持續率TD-60%)主要技術參數 | |||||||
| 型號 | MW22-10054L/2-6 | MW22-16054L/2-6 | MW22-18054L/2-6 | MW22-22054L/2-6 | MW22-26054L/2-6 | MW22-30054L/2-6 | |
| 外形尺寸 (mm) | A | 1000 | 1600 | 1800 | 2000 | 2600 | 3000 |
| B | 1210 | 1250 | 1540 | 1550 | 2050 | 2050 | |
| C | 500 | 600 | 900 | 1200 | 1500 | 1700 | |
| D | 570 | 580 | 617 | 617 | 700 | 628 | |
| E | 650 | 1000 | 1000 | 1200 | 1500 | 1700 | |
| F | 430 | 400 | 380 | 380 | 400 | 370 | |
| 重量(kg) | 1520 | 2350 | 2420 | 2660 | 3500 | 3995 | |
| 電流(A) | 30 | 45.5 | 46.8 | 49.5 | 62.3 | 74.3 | |
| 冷態功率(kw) | 6.6 | 10 | 10.3 | 10.9 | 13.7 | 16.4 | |
| 常溫型(額定電壓DC-220V,通電持續率TD-60%)主要技術參數 | ||||||
| 型號 | MW22-34054L/2-6 | MW22-36054L/2-6 | MW22-40054L/2-6 | MW22-46054L/2-6 | MW22-55054L/2-6 | |
| 外形尺寸 (mm) | A | 3400 | 3600 | 4000 | 4600 | 5500 |
| B | 2250 | 2250 | 2250 | 2350 | 2350 | |
| C | 1700 | 1700 | 1700 | 1800 | – | |
| D | 600 | 600 | 600 | 600 | 600 | |
| E | 1700 | 2000 | 2000 | 2250 | 3500 | |
| F | 380 | 380 | 380 | 380 | – | |
| 重量(kg) | 4300 | 4450 | 5450 | 5650 | 7100 | |
| 電流(A) | 82.8 | 86.4 | 99.5 | 120 | 126.4 | |
| 冷態功率(kw) | 18.2 | 19 | 21.9 | 26.4 | 27.8 | |
電磁吸盤延伸閱讀:
一、起重電磁吸盤概述
起重電磁吸盤用途
電磁吸盤與各種起重機械配合使用。可廣泛使用于煉鋼廠、軋鋼廠、廢鋼處理廠、大型鑄造車間、造船廠、重型機械制造廠、鋼材庫、港口碼頭和車站等行業。用來裝卸搬運導磁性物料。
電磁吸盤主要特點
1、采用全密封結構,防潮性能好;
2、經計算機優化設計,結構合理、吸重比大、能耗低;
3、勵磁線圈經特殊工藝處理,提高了線圈的電氣和機械性能,絕緣材料耐熱等級達到C級,使用壽命長;
4、針對不同的被吸物料狀況,采用不同的結構和參數,能廣泛滿足用戶的需求;
5、高溫型電磁吸盤采用獨特的隔熱方式,提升了電磁吸盤的耐人適應范圍;
6、安裝、運行、維護簡便。
起重電磁吸盤永磁吸盤除鐵器產品類型
MW5系列吊運廢鋼用電磁鐵,MW61系列橢圓形電磁吸盤,MW12系列吊運捆扎棒材矩形電磁吸盤,MW22系列電磁鐵,吸吊方坯、圓坯、軌梁用電磁鐵,MW84系列吊運中厚板用電磁鐵,吊運成卷線材(盤圓)用電磁鐵,MW16、MW96、MW26、MW36系列吊運鋼帶用電磁鐵;手動永磁吸盤,自動永磁吸盤;電磁除鐵器,MC03(RCDB)系列圓形電磁除鐵器,MC23系列矩形電磁除鐵器,MC22系列自卸式電磁除鐵器等。
二、起重電磁吸盤選型注意事項
1、選用電磁吸盤的主要依據是被吸取的物料;
2、吸運廢鋼材時涉及到物料的堆積松散程度,塊狀程度,材質程度,工作頻率及溫度數據等;
3、吸運成品材時涉及到物料的外形尺寸,材質程度,物料數量,工作頻率及溫度數據等;
4、吸運物料溫度低于100℃時,選用常溫型吸盤。溫度超過100℃ 時,選用耐高溫型吸盤。超過600℃時請特別注明;
5、通電持續率超過60%時,選用高頻型吸盤;
6、水中吸物料時,選用潛水型吸盤(潛水深度< 100m)。由于潛水型吸盤與常溫型吸盤相似,用戶請在訂貨時說明;
7、設備配套電器:單臺吸盤使用時,按耗能功率(電流)選擇整流控制設備及輔助設備;多臺吸盤聯用時,按聯用臺數的耗能功率(電流)總和選擇;
8、按被吸運物料的難易程度,實際狀況選用合適的電磁吸盤,同時還要考慮每批物料的種類和化學性質的變化,季節潮濕對吸盤吸運時有無影響。
電磁吸盤廠家
吊運成卷線材(盤圓)用電磁鐵(電磁吸盤)以及整流控制設備、停電保磁設備(電氣箱)、吸盤用電纜卷筒等周邊配套設備的型號規格、技術參數、產品特性、結構圖紙、出廠價格以及常見問題故障、產品優點缺點等請聯系客服咨詢。
-
13
2024-12
龍門吊電磁吸盤無磁力是由什么導致的?我們該怎么解決故障呢?
事實上,很多人不知道磁盤的內部部件需要經常更換和維護,勵磁線圈很容易燒壞。即使零件沒有損壞,也容易出現故障,導致小磁吸盤沒有磁力。 磁線從磁體的N級出來,通過磁軛,通過磁性工件,然后回到磁軛進入磁體的S級。這樣,工件就可以牢牢地吸入到工作表面上。當磁級處于狀態時,磁線不到工作表面,在小磁吸盤內形成閉合電路,工作表面幾乎沒有磁線,因此不會吸入工件,可以順利卸載。 龍門吊電磁吸盤無磁力故障解決方...詳細
-
26
2024-10
電磁吸盤如何做到防腐蝕、圓形電磁吸盤如何維護
電磁吸盤如何做到防腐蝕電磁吸盤在空氣中長時間打開,在陽光和雨水下工作條件非常惡劣。 由于較低的焊接溫度,焊縫比母材更容易受到腐蝕,特別是電磁卡盤底盤經常浸入水中,因此很難避免焊縫的腐蝕。 在某些地方,很難發現焊接腐蝕。 例如,電磁卡盤底盤和法蘭板背面之間的相鄰焊縫經常導致塔式起重機組倒塌。角焊縫被黃泥覆蓋,位于法蘭的背面。 在焊接問題之后,沒有發明。 異常提升額定載荷時,底盤法蘭背面的角焊縫被撕裂...詳細
-
05
2024-10
電磁吸盤無磁力故障原因以及解決方法
電磁吸盤無磁力故障原因以及解決方法 電磁吸盤無磁力故障原因: 其實,很多人并不知道磁盤內部部件需要經常更換維修,勵磁線圈也容易燒壞,即使在零部件沒有損傷的情況下,也容易出現故障,導致小型磁力吸盤無磁力。 磁力線從磁體的N級出來,通過磁軛,經過鐵磁性工件,再回到磁軛進入磁體的S級。這樣,就能把工件牢牢地吸在工作級面上。當磁級處于狀態時,磁力線不到工作級面,就在小型磁力吸盤內部組成磁...詳細
-
18
2024-09
單雙梁橋式起重機電動葫蘆及電磁吸盤注意事項
電動葫蘆和電磁吸盤是單雙梁橋式起重機上常用的起重機。這似乎是一個簡單的電氣元件,有很多知識。今天,單雙梁橋式起重機租賃廠家將介紹電動葫蘆和電磁吸盤的日常操作注意事項。 單雙梁橋式起重機電動葫蘆注意事項。 1.經常檢查電動葫蘆的手動開關。 2.緊急開關應設置在電動葫蘆的接鈕控制板上。 3.起重熔融金屬起重機,主起重機構(電葫蘆除外)設置兩套驅動裝置,輸出軸剛性連接,無需安全制動器。 4.鋼...詳細
-
11
2024-05
起重電磁吸盤、起重電磁鐵
起重電磁吸盤電磁吸盤是一種用電磁原理,通過使內部線圈通電產生磁力,經過導磁面板,將接觸在面板表面的工件緊緊吸住的,通過線圈斷電,磁力消失實現退磁,取下工件的原理而生產的一種機床附件產品。主要應用為:磨床、FYMC系列電磁磨刀機、龍門銑床、龍門刨床告等鐵質工件加工時的工件固定。電磁吸盤是一種電磁夾具,它通過電磁線圈通電后吸盤體產生的吸力來固定被加工工件。電磁吸盤由鐵芯、線圈、面板和支架等幾部分構成。...詳細
-
18
2024-01
MW5系列吊運廢鋼用電磁鐵MW5型圓形電磁吸盤
電磁吸盤介紹 MW5系列吊運廢鋼用電磁鐵有常溫型、耐高溫型、高頻型、耐高溫高頻型等,它適用于搬運鑄鐵錠、鋼球及各種廢鋼。其勵磁方式可采用定電壓方式、強勵磁方式和過勵磁方式。MW5系列吊運廢鋼用電磁鐵主要型號有:常溫型有:MW5-70L/1、MW5-80L/1、MW5-90L/1、MW5-100L/1、MW5-110L/1、MW5-120L/1、MW5-130L/1、MW5-150L/1...詳細




















