Product Series
推薦產品
河南華東起重機械設備公司
服務熱線:400 086 9590
公司:河南華東起重機械設備有限公司
聯系人:賈經理
聯系電話:13903802779
地址:河南新鄉(xiāng)市封丘縣起重機工業(yè)園區(qū)
當前位置: 起重機 > 起重機文章
16/3.2噸雙梁行車橋式起重機技術參數
時間:2024-05-24來源:起重機廠家瀏覽次數:1
16/3.2噸雙梁行車屬于橋式起重機,一般應用在室內場合。該噸位雙梁行車有主副兩個吊鉤。雙梁橋式起重機的工作級別一般為A5、A6,可以應用在工作比較頻繁或者承重較大的場所。小編為大家介紹下16/3.2噸雙梁行車的技術參數。
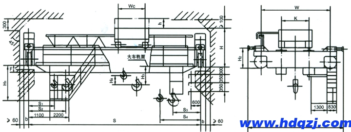
16/3.2噸雙梁行車橋式起重機結構圖:

16/3.2噸雙梁行車橋式起重機技術參數 Technological parameter
| 起重量 Lifting Weight | t | 16/3.2 | ||||||||||||
| 跨度 Span | m | 10.5 | 13.5 | 16.5 | 19.5 | 22.5 | 25.5 | 28.5 | 31.5 | |||||
| *大起升高度 MaX.Lifting Height | 主 Primary | 16 | ||||||||||||
| 副 Secondary | 18 | |||||||||||||
| 速度 Speed | 起升 Lift | 主 Primary | A5 | m/min | 7.9 | |||||||||
| A6 | 13 | |||||||||||||
| 副 Secondary | A5 | 19.7 | ||||||||||||
| A6 | ||||||||||||||
| 小車運行 handcart travel | 44.6 | |||||||||||||
| 大車運行 Cart travel | A5 | 84.7 | 87.6 | |||||||||||
| A6 | 112.5 | 101.4 | ||||||||||||
| 電動機 Motor | 起升 Lift | 主 Primary | A5 | kw | TZR225M-8Z/26 | |||||||||
| A6 | YZR250M1-6/37 | |||||||||||||
| 副 Secondary | YZR160L-6Z/13 | |||||||||||||
| 小車運行 handcart travel | YZR132M2-6/4 | |||||||||||||
| 大車運行 Cart travel | A5 | YZR160M1-6/6.3×2 | YZR160M2-6/7.5×2 | |||||||||||
| A6 | YZR160M2-6/7.5×2 | YZR160L-6/11×2 | ||||||||||||
| 主要尺寸 (mm) Main Size | H | A5 | 2095 | 2185 | ||||||||||
| A6 | 2095 | 2097 | 2185 | 2187 | ||||||||||
| H1 | A5 | 2520 | 2550 | 2620 | 2768 | 2918 | 3068 | 3218 | ||||||
| A6 | 2520 | 2550 | 2620 | 2770 | 2920 | 3070 | 3220 | |||||||
| H2 | 850+Ho | 940+Ho | ||||||||||||
| H3 | A5 | 729 | 639 | |||||||||||
| A6 | 729 | 727 | 639 | 637 | ||||||||||
| H4 | 770 | |||||||||||||
| h | A5 | 720 | ||||||||||||
| A6 | 820 | |||||||||||||
| k | 2000 | |||||||||||||
| B | A5 | 5940 | 5944 | 6434 | ||||||||||
| A6 | 6274 | 7004 | ||||||||||||
| W | A5 | 4000 | 4100 | 5000 | ||||||||||
| A6 | 4400 | |||||||||||||
| WC | 2400 | |||||||||||||
| b | 230 | 260 | ||||||||||||
| F | A5 | 80 | 180 | 240 | 388 | 538 | 688 | 838 | ||||||
| A6 | 80 | 180 | 240 | 390 | 540 | 690 | 840 | |||||||
| S1 | 1040 | |||||||||||||
| S2 | 1850 | |||||||||||||
| S3 | 1500 | |||||||||||||
| S4 | 2310 | |||||||||||||
| 重量 Weight | 小車 handcart | A5 | t | 6.227 | ||||||||||
| A6 | 6.427 | |||||||||||||
| 總重 Total Weight | A5 | 19.2 | 21 | 23 | 27 | 30 | 34 | 38 | 41 | |||||
| A6 | 21 | 23 | 25 | 29 | 32 | 36 | 40 | 44 | ||||||
| *大輪壓 Max.Wheel Pressure | A5 | t | 14.6 | 15.5 | 16.3 | 18.5 | 19.3 | 20.5 | 21.4 | 22.3 | ||||
| A6 | 15.5 | 16.4 | 17.3 | 19.4 | 20.3 | 21.4 | 22.3 | 23.2 | ||||||
| 薦用鋼軌 Steel track | 43kg/m QU70 | |||||||||||||
| 電源 Power Supply | 三相交流 3-Phase A.C. 50Hz 380V | |||||||||||||
備注:起重機重量均為整機參考重量
推薦文章:




















