推薦產品
河南華東起重機械設備公司
服務熱線:400 086 9590
公司:河南華東起重機械設備有限公司
聯系人:賈經理
聯系電話:13903802779
地址:河南新鄉市封丘縣起重機工業園區
當前位置: 起重機 > 技術資料 > 起重機百科
ZD1、ZDY1、ZDS1、ZDM1型錐形轉子三相異步電動機
時間:2024-01-19來源:起重電機廠家瀏覽次數:1
電動機介紹
ZD1、ZDY1、ZDS1、ZDM1型錐形轉子三相異步電動機系CDI型、MDI型電動葫蘆配套用電動機,其中ZD1、ZDS1、ZDM1型供起吊用,ZDY1型供行走用,電動機外殼防護等級為IP44.(可根據用戶需要生產IP54)。本系列電機為封閉自扇冷式,轉子為圓錐臺體形且為鼠籠式結構,電機本身帶有制動器,能夠可靠迅速的制動,電機有較高的起動轉矩,因此也可供機床、紡織、電子及通用機械等行業有以上要求的場所使用。
電動機說明
產品名稱:三相異步電動機
別名別稱:起重電機/馬達
所屬類別:錐形轉子
產品產地:江蘇南京/河南新鄉
非標定制:承接非標定制
動力形式:三相交流380V-50Hz
是否現貨:大部分現貨
生產周期:7~10天
供貨范圍:全國
送達方式:自提/代辦貨運
是否安裝:安裝另計
售后方式:一年保修
電動機圖片

電動機參數
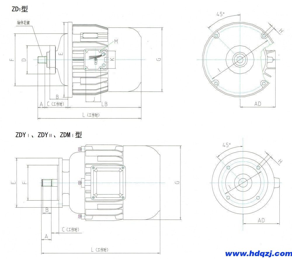
ZD系列錐形轉子三相異步電動機外形尺寸圖(不含18.5~24KW)

ZD1型、ZDS1型18.5KW~24KW電機外形尺寸圖

ZD系列錐形轉子三相異步電動機外形尺寸表
| 尺寸代號 | ||||||||||||||||
| 型號 | 功率(Kw) | 軸伸花鍵 | A | B | C | D | E | F | G | H | 1 | J | K | L | M | AD |
| ZDY112-4 | 0.4 | 4D-15d9x12x4c11 | 25 | 22 | 15 | Φ110 | Φ75 | Φ153 | Φ7 | Φ90 | 273 | M5 | 116 | |||
| ZDM112-4 | ||||||||||||||||
| ZD121-4 | 0.8 | 6D-20d9x16x4c11 | 24 | 61 | 71 | Φ110 | Φ220 | Φ177 | Φ215 | Φ9 | Φ194 | 63 | 74 | 324 | M5 | 110 |
| ZDY121-4 | 28 | 24 | 20 | Φ140 | Φ100 | Φ215 | Φ9 | Φ120 | 332 | 160 | ||||||
| ZDY121-4 | 6D-25d9x22x6c11 | 34 | 30 | 14 | Φ220 | Φ180 | Φ215 | Φ11 | Φ200 | 332 | ||||||
| ZDM121-4 | 6D-20d9x16x4c11 | 28 | 24 | 20 | Φ140 | Φ100 | Φ215 | Φ9 | Φ120 | 332 | ||||||
| ZD122-4 | 1.5 | 6D-20d9x16x4c1 | 24 | 61 | 71 | Φ110 | Φ235 | Φ179 | Φ228 | Φ13.5 | Φ205 | 63 | 74 | 362 | M5 | 114 |
| ZDY122-4 | 6D-25d9x22x6c11 | 34 | 30 | 14 | Φ220 | Φ180 | Φ228 | Φ11 | Φ200 | 371 | 160 | |||||
| ZDM122-4 | 34 | 30 | 14 | Φ140 | Φ100 | Φ228 | Φ11 | Φ120 | 371 | |||||||
| ZDM123-4 | 2.2 | 6D-25d9x22x6c11 | 34 | 30 | 14 | Φ140 | Φ100 | Φ228 | Φ11 | Φ120 | 371 | |||||
| ZD131-4 | 3.0 | 6D-28d9x23x6c11 | 30 | 81 | 107 | Φ120 | Φ290 | Φ220 | Φ286 | Φ13.5 | Φ260 | 63 | 74 | 425 | M5 | 143 |
| 181 | ||||||||||||||||
| ZDM131-4 | 39 | 30 | 17 | Φ220 | Φ180 | Φ286 | Φ15 | Φ200 | ||||||||
| ZDY131-4 | 50 | 6.5 | Φ248 | Φ180 | Φ300 | Φ15 | Φ215 | 424.5 | 188 | |||||||
| ZD132-4 | 4.5 | 6D-28d9x23x6c11 | 30 | 77 | 98 | Φ120 | Φ320 | Φ223 | Φ300 | Φ13.5 | Φ286 | 63 | 74 | 438 | M5 | 150 |
| 188 | ||||||||||||||||
| ZDY132-4 | 50 | 6.5 | Φ248 | Φ180 | Φ300 | Φ15 | Φ215 | 448.5 | ||||||||
| ZD141-4 | 7.5 | 10D-35d9x28x4c11 | 35 | 97 | 120 | Φ160 | Φ380 | Φ260 | Φ343 | Φ17.5 | Φ340 | 63 | 74 | 510 | M5 | 170 |
| ZD151-4 | 13 | 10D-40d9x32x5c11 | 38 | 137 | 172 | Φ200 | Φ455 | Φ300 | Φ440 | Φ17.5 | Φ415 | 120 | 85 | 634 | M6 | 210 |
| ZD152-4 | 18.5 | 10D-45d9x36x5c11 | 55 | 157 | 187 | Φ200 | Φ455 | Φ300 | Φ440 | Φ17.5 | Φ415 | 120 | 85 | 711 | M6 | 245 |
| Φ530 | Φ450 | Φ490 | ||||||||||||||
| ZDX62-4 | 24 | 10D-52d9x42x6c11 | 55 | 173 | 198 | Φ200 | Φ550 | Φ460 | Φ520 | Φ17.5 | Φ500 | 80 | 118 | 740 | M6 | 240 |
ZDS1系列錐形轉子三相異步電動機外形尺寸表
| 型號 | 功率(Kw) | 軸伸花鍵 | A | B | C | D | E | F | G | H | 1 | J | K | L | M | N | AD |
| ZDS121-4 | 0.8/0.4 | 6D-20d9x16x4c11 | 24 | 61 | 71 | Φ110 | Φ220 | Φ177 | 408 | Φ9 | Φ194 | 279 | 368 | 344 | Φ153 | 129 | 116 |
| ZDS122-4 | 1.5/0.4 | 6D-20d9x16x4c11 | 24 | 61 | 71 | Φ110 | Φ235 | Φ179 | 408 | Φ13.5 | Φ205 | 279 | 382 | ||||
| ZDS131-4 | 3.0/0.4 | 6D-28d9x23x6c11 | 30 | 81 | 107 | Φ120 | Φ290 | Φ220 | 482 | Φ260 | 327 | 420 | 165 | ||||
| ZDS132-4 | 4.5/0.4 | 6D-28d9x23x6c11 | 30 | 77 | 98 | Φ120 | Φ320 | Φ223 | 487 | Φ286 | 327 | 435 | |||||
| ZDS141-4 | 7.5/0.8 | 10D-35d9x28x4c11 | 35 | 97 | 120 | Φ160 | Φ380 | Φ260 | 608 | Φ17.5 | Φ340 | 418 | 437 | 518 | Φ215 | 190 | 160 |
| ZDS151-4 | 13/1.5 | 10D-40d9x32x5c11 | 38 | 137 | 172 | Φ200 | Φ455 | Φ300 | 682 | Φ415 | 454 | 397 | 703 | 220 | |||
| ZDS152-4 | 18.5/2.2 | 10D-45d9x36x5c11 | 55 | 157 | 187 | Φ200 | Φ455 | Φ450 | 682 | Φ415 | 454 | 735 | |||||
| Φ530 | 719 | Φ490 | |||||||||||||||
| ZDS162-4 | 24/3.0 | 10D-52d9x42x6c11 | 55 | 173 | 198 | Φ200 | Φ550 | Φ460 | 844 | Φ500 | 569 | 456 | 780 | Φ286 | 250 | 10 |
ZD系列錐形轉子三相異步電動機主要技術參數
| 型號 | 功率kW | 額定電壓V | 額定轉速r/min | 額定電流 A | 功率因數COSф | 效率% | 起動電流A | 堵轉轉矩/額定轉矩 | 最大轉矩/額定轉矩 | 轉動慣量Kg/㎡ | 額定電壓下軸向磁拉力(N) | 彈簧工作壓力(N) | 制動力矩Nm | 接法 |
| ZDYⅠ12-4 | 0.4 | 380 | 1380 | 1.26 | 0.72 | 67 | 7 | 2.0 | 2.0 | 147 | 110.74 | Y | ||
| ZDMⅠ12-4 | 0.016 | 4.41 | ||||||||||||
| ZDⅠ21-4 | 0.8 | 380 | 1380 | 2.4 | 0.72 | 70 | 13 | 2.5 | 2.5 | 0.036 | 235.2 | 152.9 | 8.34 | Y |
| ZDYⅠ21-4 | ||||||||||||||
| ZDYⅡ21-4 | ||||||||||||||
| ZDMⅠ21-4 | ||||||||||||||
| 0.036 | 8.34 | |||||||||||||
| ZDSⅠ21-4 | 0.8/0.4 | 1380/138 | 2.4/1.26 | 13/7 | ||||||||||
| ZDⅠ22-4 | 1.5 | 380 | 1380 | 4.2 | 0.74 | 73 | 24 | 2.5 | 2.5 | 0.045 | 352.8 | 273.4 | 16.6 | Y |
| ZDYⅠ22-4 | ||||||||||||||
| ZDYⅡ22-4 | ||||||||||||||
| ZDMⅠ22-4 | 0.045 | 16.6 | ||||||||||||
| ZDSⅠ22-4 | 1.5/0.4 | 1380/138 | 4.2/1.26 | 24/7 | ||||||||||
| ZDMⅠ23-4 | 2.2 | 380 | 1380 | 6 | 0.75 | 75 | 30 | 2.6 | 2.6 | 0.05 | 510.6 | 425.5 | 27.44 | Y |
| ZDⅠ31-4 | 3.0 | 380 | 1380 | 7.5 | 0.77 | 79 | 45 | 2.7 | 2.7 | 0.130 | 725.2 | 460.6 | 34.32 | Y |
| ZDMⅠ31-4 | ||||||||||||||
| ZDYⅠ31-4 | ||||||||||||||
| ZDSⅠ31-4 | 3.0/0.4 | 1380/138 | 7.5/1.26 | 45/7 | ||||||||||
| ZDⅠ32-4 | 4.5 | 380 | 1380 | 10.82 | 0.80 | 79 | 65 | 2.7 | 2.7 | 0.160 | 960 | 676.2 | 49.03 | Y |
| ZDYⅠ32-4 | ||||||||||||||
| ZDSⅠ32-4 | 4.5/0.4 | 1380/138 | 10.82/1.25 | 65/7 | ||||||||||
| ZDⅠ41-4 | 7.5 | 380 | 1400 | 17.80 | 0.80 | 80 | 110 | 3.0 | 3.0 | 0.390 | 1449 | 882 | 83.30 | Y |
| ZDSⅠ41-4 | 7.5/0.8 | 1400/138 | 17.8/2.4 | 110/13 | ||||||||||
| ZDⅠ51-4 | 13 | 380 | 1400 | 29.7/51.44 | 0.82 | 81 | 180 | 3.0 | 3.0 | 1.100 | 1940 | 1033.9 | 147.10 | Y |
| 180/24 | ||||||||||||||
| ZDSⅠ51-4 | 13/1.5 | 1400/138 | 29.7/4.2 | |||||||||||
| ZDⅠ52-4 | 18.5 | 380 | 1400 | 41.7/72.23 | 0.82 | 82 | 229 | 3.0 | 3.0 | 1.151 | 1999 | 1479.8 | 245.25 | Y |
| 229/30 | ||||||||||||||
| ZDSⅠ52-4 | 18.5/2.2 | 1400/138 | 41.7/6 | |||||||||||
| ZDⅠ62-4 | 24 | 380 | 1400 | 50/86.5 | 0.90 | 89 | 255 | 3.7 | 3.7 | 1.31 | 2260 | 1746.2 | 390 | Y |
| ZDSⅠ62-4 | 24/3.0 | 1400/138 | 50/7.5 | 255/45 |
電動機廠家
電機廠家提供ZD1、ZDY1、ZDS1、ZDM1型錐形轉子三相異步電動機設計制造(定制)和電機配件批發零售、安裝修理維修等服務,更多國標/非標/專用起重電機廠家品牌、技術參數、安裝尺寸圖紙、價格請咨詢客服。
-
19
2024-01
ZD1、ZDY1、ZDS1、ZDM1型錐形轉子三相異步電動機
電動機介紹 ZD1、ZDY1、ZDS1、ZDM1型錐形轉子三相異步電動機系CDI型、MDI型電動葫蘆配套用電動機,其中ZD1、ZDS1、ZDM1型供起吊用,ZDY1型供行走用,電動機外殼防護等級為IP44.(可根據用戶需要生產IP54)。本系列電機為封閉自扇冷式,轉子為圓錐臺體形且為鼠籠式結構,電機本身帶有制動器,能夠可靠迅速的制動,電機有較高的起動轉矩,因此也可供機床、紡織、電子及通...詳細
-
18
2024-01
BZDS(1)隔爆型錐形轉子三相異步電動機(雙速防爆電機)
防爆電機介紹 BZDS1系列隔爆雙速型錐形轉子三相異步電動機為防爆電動葫蘆主起升雙速電動機,主要型號有:BZDS1-0.2/0.8、BZDS1-0.2/1.5、BZDS1-0.4/3.0、BZDS1-0.4/4.5、BZDS1-0.8/7.5、BZDS1-1.5/13KW等,該電機結構形式為子母式大小電機,區別于一機雙速主起升電動機。防爆電機說明產品名稱:BZDS(1)雙速隔爆型錐形轉...詳細
-
03
2022-04
ZDY系列錐形轉子三相異步電動機參數|ZDY型電動機安裝尺寸
ZDY系列錐形轉子三相異步電動機|ZDY型錐形轉子三相異步電動機 ZDY系列錐形轉子三相異步電動機技術性能數據 規格 型號 功率 kW 額定 電壓 V 額定 電流 A 額定 轉速 r/min 起動 轉矩 最大...詳細




















