推薦產品
河南華東起重機械設備公司
服務熱線:400 086 9590
公司:河南華東起重機械設備有限公司
聯系人:賈經理
聯系電話:13903802779
地址:河南新鄉市封丘縣起重機工業園區
當前位置: 起重機 > 技術資料 > 起重機百科
ZLA系列復合型緩沖器ZLA型起重防撞緩沖器
時間:2024-01-20來源:起重機緩沖器廠家瀏覽次數:1
緩沖器介紹
復合緩沖器是在聚氨醋緩沖器的基礎上研制開發的新產品。該系列緩沖器采用獨特的復合結構,使之更安全更耐久,并可以和其他類型緩沖器混用。具有安全可靠,便于安裝,噪音小,重量輕的特點。因其裝入聚氨醋,其特性與聚氨醋的特性基本相同,也是聚氨醋的升級產品。
緩沖器說明
產品名稱:ZLA復合型緩沖器
別名別稱:起重防撞膠/碰頭
型號規格:ZLA型
所屬類別:起重安防裝置
產品產地:河南新鄉
是否定制:是
是否現貨:部分現貨
生產周期:5~12天
包裝形式:紙箱
供貨范圍:全國
送達方式:自提或物流托運
是否安裝:安裝另計
發貨地區:河南長垣
緩沖器圖片

緩沖器參數
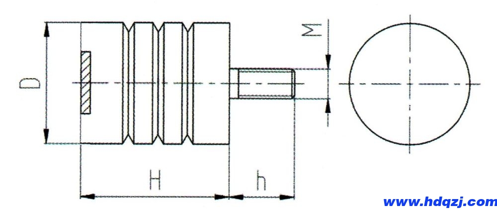
ZLA系列復合型緩沖器外形尺寸圖紙

ZLA系列復合型緩沖器技術參數表
| ZLA型緩沖器參數對照表 | |||||||||
| 序號 | 型號 | D mm | H mm | M mm | h mm | 緩沖容量 Kn.m | 緩沖行程 mm | 緩沖力 Kn | |
| 1 | ZLA-1 | 65 | 80 | 16 | 35 | 0.288 | 40 | 18 | |
| 2 | ZLA-2 | 80 | 80 | 16 | 35 | 0.432 | 40 | 27 | |
| 3 | ZLA-3 | 80 | 100 | 16 | 35 | 0.648 | 60 | 27 | |
| 4 | ZLA-4 | 100 | 80 | 16 | 35 | 0.672 | 40 | 42 | |
| 5 | ZLA-5 | 100 | 100 | 16 | 35 | 1.008 | 60 | 42 | |
| 6 | ZLA-6 | 100 | 125 | 16 | 35 | 1.428 | 85 | 42 | |
| 7 | ZLA-7 | 125 | 100 | 16 | 35 | 2.112 | 60 | 66 | |
| 8 | ZLA-8 | 125 | 125 | 16 | 35 | 2.244 | 85 | 66 | |
| 9 | ZLA-9 | 125 | 160 | 16 | 35 | 2.904 | 110 | 66 | |
| 10 | ZLA-10 | 160 | 125 | 16 | 35 | 3.672 | 85 | 108 | |
| 11 | ZLA-11 | 160 | 160 | 16 | 35 | 4.752 | 110 | 108 | |
| 12 | ZLA-12 | 160 | 200 | 16 | 35 | 6.048 | 140 | 108 | |
| 13 | ZLA-13 | 200 | 160 | 20 | 45 | 7.436 | 110 | 169 | |
| 14 | ZLA-14 | 200 | 200 | 20 | 45 | 9.464 | 140 | 169 | |
| 15 | ZLA-15 | 200 | 250 | 20 | 45 | 12.709 | 188 | 169 | |
| 16 | ZLA-16 | 250 | 200 | 20 | 45 | 14.840 | 140 | 265 | |
| 17 | ZLA-17 | 250 | 250 | 20 | 45 | 19.928 | 188 | 265 | |
| 18 | ZLA-18 | 250 | 320 | 20 | 45 | 25.440 | 240 | 265 | |
| 19 | ZLA-19 | 320 | 250 | 20 | 45 | 32.636 | 188 | 434 | |
| 20 | ZLA-20 | 320 | 320 | 20 | 45 | 41.664 | 240 | 434 | |
緩沖器廠家
ZLA型復合型緩沖器貨源產地生產廠家還為用戶提供ZLB型、ZLC型、ZLF型復合型緩沖器、液氣緩沖器、阻尼緩沖器、液壓緩沖器、彈簧緩沖器、電梯緩沖器、澆筑膠彈性體緩沖器、橡膠緩沖器、單梁起重機/電動葫蘆碰頭等緩沖器產品的設計制造(定制配套)和半成品配件批發零售、安裝更換等服務,更多國標/非標/專用/新型緩沖器設計制造規范標準、結構形式、材質、工作原理和型號規格、技術參數、安裝尺寸圖紙、使用說明以及品牌、價格等請咨詢客服。
-
20
2024-01
ZLB系列復合型緩沖器ZLB型起重防撞緩沖器
緩沖器介紹 ZLB復合型緩沖器型號有:ZLB-1、ZLB-2、ZLB-3、ZLB-4、ZLB-5、ZLB-6、ZLB-7、ZLB-8、ZLB-9、ZLB-10、ZLB-11、ZLB-12、ZLB-13等。復合緩沖器是在聚氨醋緩沖器的基礎上研制開發的新產品。該系列緩沖器采用獨特的復合結構,使之更安全更耐久,并可以和其他類型緩沖器混用。具有安全可靠,便于安裝,噪音小,重量輕的特點。因其裝入...詳細
-
20
2024-01
ZLA系列復合型緩沖器ZLA型起重防撞緩沖器
緩沖器介紹 復合緩沖器是在聚氨醋緩沖器的基礎上研制開發的新產品。該系列緩沖器采用獨特的復合結構,使之更安全更耐久,并可以和其他類型緩沖器混用。具有安全可靠,便于安裝,噪音小,重量輕的特點。因其裝入聚氨醋,其特性與聚氨醋的特性基本相同,也是聚氨醋的升級產品。緩沖器說明產品名稱:ZLA復合型緩沖器別名別稱:起重防撞膠/碰頭型號規格:ZLA型所屬類別:起重安防裝置產品產地:河南新鄉是否定制:...詳細




















